
Тип: Швеллер гнутый холоднокатаный.
Номер: 180x100x6
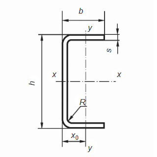
Высота: 180 мм.
Ширина полки: 100 мм.
Вид швеллера: гнутый.
Материал швеллера: сталь.
Марка стали: ст.3ПС/СП.
Покрытие: без покрытия (черный).
Обработка: без термической обработки.
Швеллер гнутый 180x100x6 ДСТУ 8806:2018 |
|||||||||||
|---|---|---|---|---|---|---|---|---|---|---|---|
| Номер швеллера | h, мм | b, мм | s, мм | R, мм не більше ніж |
n | n1 | F, см² | X0 , см | Маса 1 м, кг | ||
| 180x100x6 | 180 | 100 | 6.0 | 9.0 | 14.2 | 25.0 | 21.46 | 2.93 | 16.84 | ||
| Уважаемые покупатели!!! В связи с нестабильной ситуацией в нашей стране и нестабильностью на рынке валюты просьба актуальные цены на гнутый швеллер 180x100x6 уточнять за контактными телефонами у менеджеров компании. | |||||||||||
Обозначение размеров и параметров, приведенных на рисунке и в табличке:
По поводу приобретения гнутого швеллера 180x100x6
обращайтесь по телефонам: