
Тип: Швеллер гнутый холоднокатаный.
Номер: 160x60x4
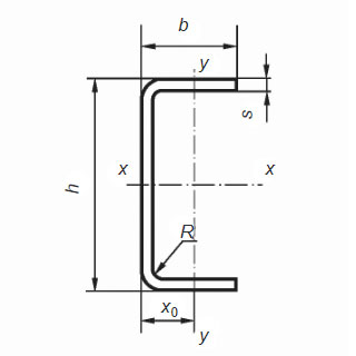
Высота: 160 мм.
Ширина полки: 60 мм.
Вид швеллера: гнутый.
Материал швеллера: сталь.
Марка стали: ст.3ПС/СП.
Покрытие: без покрытия (черный).
Обработка: без термической обработки.
Швеллер гнутый 160x60x4 ДСТУ 8806:2018 |
|||||||||||
|---|---|---|---|---|---|---|---|---|---|---|---|
| Номер швеллера | h, мм | b, мм | s, мм | R, мм не більше ніж |
n | n1 | F, см² | X0 , см | Маса 1 м, кг | ||
| 160x60x4 | 160 | 60 | 4.0 | 6.0 | 12.5 | 35.0 | 10.60 | 1.43 | 8.32 | ||
| Уважаемые покупатели!!! В связи с нестабильной ситуацией в нашей стране и нестабильностью на рынке валюты просьба актуальные цены на гнутый швеллер 160x60x4 уточнять за контактными телефонами у менеджеров компании. | |||||||||||
Обозначение размеров и параметров, приведенных на рисунке и в табличке:
По поводу приобретения гнутого швеллера 160x60x4
обращайтесь по телефонам: